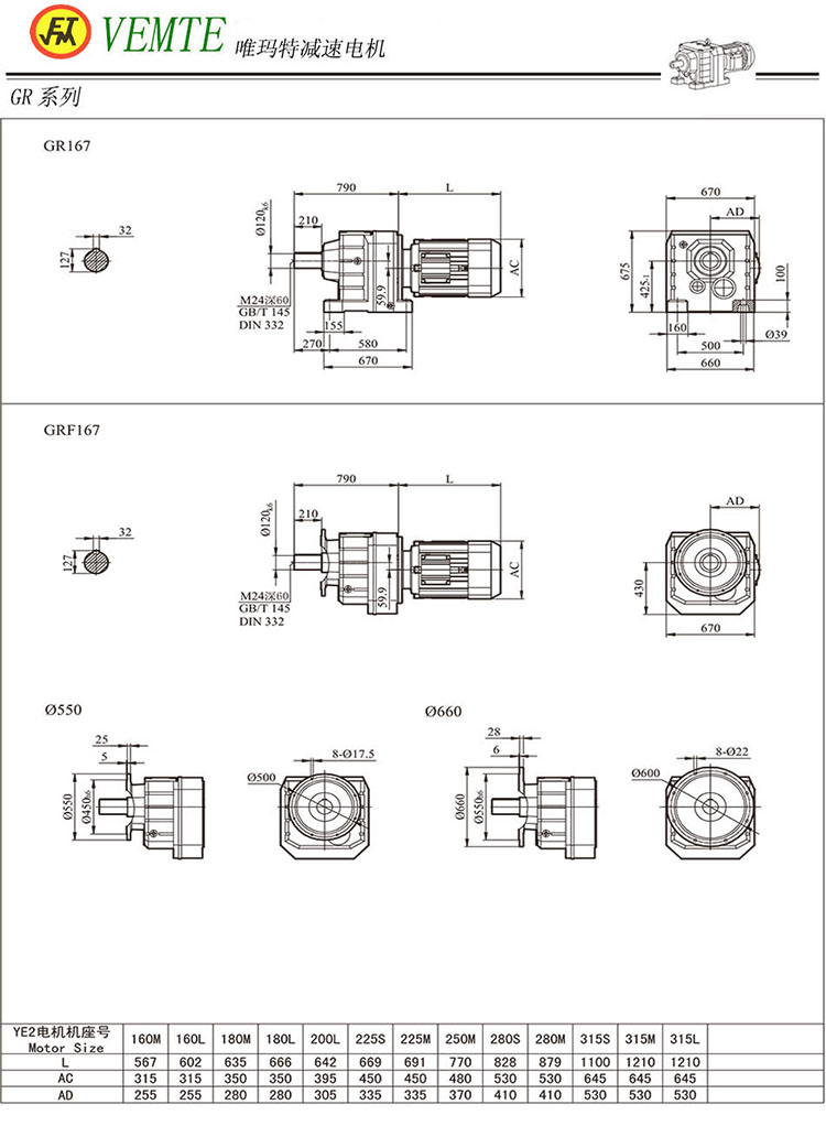
以下是DLR10臥式齒輪減速機(jī)以及DLRF10立式斜齒輪減速電機(jī)的具體型號(hào)以及安裝尺寸圖
| DLR10DM160M | DLRF10DM280M | DLRF10DM160M |
| DLR10DM160L | DLRF10DM315S | DLRF10DM160L |
| DLR10DM180M | DLRF10DM315M | DLRF10DM180M |
| DLR10DM180L | DLR10DM250M | DLRF10DM180L |
| DLR10DM200L | DLR10DM280S | DLRF10DM200L |
| DLR10DM225S | DLR10DM280M | DLRF10DM225S |
| DLR10DM225M | DLR10DM315M | DLRF10DM225M |
| DLR10DM315S | DLRF10DM280S | DLRF10DM250M |
此文關(guān)鍵字:DLR10系列齒輪減速機(jī)型號(hào)
















