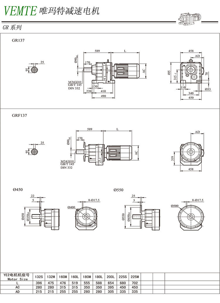
以下是DLR08斜齒輪減速機(jī)以及DLRF08立式齒輪減速機(jī)的型號(hào)以及具體的安裝尺寸圖紙
| DLR08DM132S | DLRF08DM200L | DLRF08DM132S |
| DLR08DM132M | DLRF08DM225S | DLRF08DM132M |
| DLR08DM132L | DLRF08DM225M | 臥式減速機(jī) |
| DLR08DM160M | DLRF08DM250M | DLRF08DM160M |
| 齒輪減速機(jī) | DLR08DM225S | DLRF08DM160L |
| DLR08DM180M | DLR08DM225M | DLRF08DM180M |
| DLR08DM180L | DLR08DM250M | DLRF08DM180L |
| DLR08DM200L | DLR08DM160L | DLRF08DM132L |
此文關(guān)鍵字:DLR08齒輪減速機(jī)系列型號(hào)
















